
- VK-BR lasipullojen pesukone
- VK-PF öljyntäyttökone 4 päätä
- VK-VC tyhjiökuorauskone
- VK-RPL pyöreiden pullojen etiketöintikone
Täysautomaattinen täyttölinja voidaan räätälöidä asiakkaan vaatimusten ja ostajan tarjoamien näytteiden mukaan. Alla on lueteltu tämän elintarviketeollisuuden täysin automaattisen täyttölinjan perustiedot:
Lasipullojen ilmanpesukoneen tyhjiöpesurilaitteet
Se on automaattinen pullonpesukone ilmalla. teho riippuu ilmanpesusuuttimista.
Ilmakompressori kuljettaa ilman tyhjiösäiliön sisällä, kaasu solenoidiventtiilin läpi ja ionigeneraattori puhdistettiin, henkitorven kaasushampoo puhaltaa kaasua pulloihin kaasunpesusuun kautta, puhaltaa kaasunpesusuusta kaasun paineella vieraita, takaisin henkitorvesta poistunut jätekaasu ulos päästöjen hallinnan kautta.

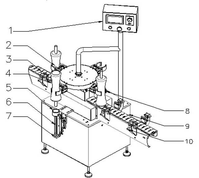
| 1 | Ohjauspaneeli | 2 | Pullot |
| 3 | Vyö tuttipulloille | 4 | Anturi pulloruokintaa varten |
| 5 | pullojen kiinnitysrakenne | 6 | Huuhteluinjektio |
| 7 | Sähköstaattinen tuyere | 8 | Pullojen kiinnityskohta |
| 9 | Vyö pullojen ulostuloa varten | 10 | Ohjauspalkki |
Lasipullojen automaattisen pyörivän ilmanpesukoneen perusparametri:

Malli: VK-BR
Pulloon sopiva: 20-1000ml
Tuotantokapasiteetti: 8 puhdistussuutinta: 3600-4800bph
Ilmanpainealue: 6-8 kg/cm2
Ilmankulutus: 25m3/h
Virtalähde: 220V 50/60Hz
Tehonkulutus: 0,75 kW
Yhden koneen melu: ≤70 dB
Puhdistettu ilma: 0,2 μm
Puhdistusaika: 3-5 s
Nettopaino: 350 kg
Kokonaismitat: 1200 x 800 x 1600 mm
Öljyntäyttökone 4 pään lineaarinen täyttö

Mikrotietokoneen ohjaama 4-päinen oliivien täyttökone yhdistää valosähkön pneumaattiseen toimintaan, joten sitä käytetään laajalti maatalouskemikaalien, liuosten, nestemäisten pesuaineiden, kosmeettisten ja oliivien nestemäiseen täyttöön.
Täyttötilavuus on tarkka, vaahtomaton ja vakaa. Kone pystyy täyttämään nesteen välillä 25-1000ml, mutta pullojen muodoille ei ole erityisiä vaatimuksia. Toisin sanoen se pystyy täyttämään nesteen normaaleihin pulloihin sekä irrugulan muotoisiin pulloihin.

Malli: VK-PF
Täyttöalue: 50-3000ml
Täyttönopeus: <20-30b/m (500-1000ml nesteelle)
Tarkkuus: ±1 %
Teho/syöttöteho: 0,8kw、220v
Työpaine: 5~6kg/cm3
Ilmankulutus: 0,5-0,7 mpa
NW: 500kg
Ulkomitat: 2000×800×1900mm
Merkki: Täyttösuuttimet voidaan suunnitella ja valmistaa asiakkaiden täyttöaluetta ja täyttönopeutta koskevien vaatimusten mukaan
Lineaarinen tyhjiökorkituskone Vk-Vc purkkien korkkilaitteet:
Tämän lineaarisen korkkikoneen on tutkinut ja kehittänyt yrityksemme vuosien kokemuksella, se on ainutlaatuinen kotimaassa. Integroitu automaattinen kannen järjestely peitteellä, tyhjiökannella.
Hyväksytty manuaalinen tyhjiöpumppu korkean tyhjiön saavuttamiseksi. Toiminnot ilman pulloa ei kansia, hälyttävä, kun korkkeja ei ole saatavilla. Nauti korkeasta automaatiosta. Tärkeimmät pneumaattiset ja sähköiset osat ovat maailmankuuluilta tuotemerkeiltä.
Vakaa ja luotettava suorituskyky. Sitä käytetään laajalti lasipurkkien tyhjiökorkitsemiseen rautakorkilla säilykkeiden, juomien, mausteiden, terveydenhuoltotuotteiden jne.

Teho: ≤2,3KW (mukaan lukien tyhjiöpumppu)
Tuotantokapasiteetti: 50-60 BPM
Kannen halkaisija: ¢30-¢55mm¢50-¢85mm
Pullon korkeus: 80-250 mm
Pullon halkaisija: ¢30-¢85mm
Suurin tyhjiö: -0,08 mpa
Suojuksen vääntö: 5-20N.M
Ilmankulutus: 0.6M3/0.7Mpa
Koneen mitat: Noin 3000 × 1000 × 1900 mm
Paino: noin 850 kg
Vk-Rpl Pyöreät Pullot Purkkien etikettikone

Sovellus: Edellytä kalvoon kiinnitetyn etiketin tai tuotteen kehän suuntaista pintaa.
Toimiala: Käytetään laajasti elintarvike-, lääke-, kosmetiikka-, kosmetiikka-, elektroniikka-, metalli-, muovi- ja muilla aloilla.
Sovellus: PET-pyöreän pullon merkintä, muovipullojen, säilykkeiden ja niin edelleen merkitseminen.

Sopiva etiketin pituus (mm): 20mm ~ 314mm
Sovellettava tarran leveys (taustapaperin leveys / mm): 15 mm ~ 150 mm
Sovellettavien tuotteiden halkaisija (pyöreälle pullolle) ja korkeus: halkaisija: φ25mm ~ φ100mm
Korkeus: 25mm ~ 230mm
Sovellettava standardirullan halkaisija (mm): φ280mm
Sovellettava standardirullan halkaisija (mm): φ76mm
Merkintätarkkuus (mm): ± 1mm
Vakionopeus (m/min): Servo: 5 ~ 25m/min Askel: 5 ~ 19m/min
Merkintänopeus (kpl / min): Askel: 30 ~ 80 kpl/min (pullon ja etiketin koolla)
Servo: 40 ~ 120 kpl/min
Kuljettimen nopeus (m/min): 5 ~ 25m/min
Paino (kg): Noin 185 kg
Taajuus (HZ): 50 HZ Jännite (V): 220 V
Teho (W): 530W (ajoaskel) 980W (vetoservo)
Laitteen mitat (mm) (P × L × K): 1950mm × 1100mm × 1300mm


Puisen kotelon pakkaus:

Täyttölinjan huoltopalvelu

Takaamme pääosien laadun 12 kuukauden sisällä. Jos pääosat menevät pieleen ilman keinotekoisia tekijöitä vuoden sisällä, toimitamme ne vapaasti tai huoltamme niitä puolestasi. Vuoden kuluttua, jos sinun on vaihdettava osia, tarjoamme sinulle ystävällisesti parhaan hinnan tai ylläpidämme sen sivustollasi. Aina kun sinulla on teknisiä kysymyksiä sen käytössä, teemme vapaasti parhaamme tukeaksemme sinua.
Laatutakuu:
Valmistaja takaa, että tavarat on valmistettu Valmistajan parhaista materiaaleista, ensiluokkaista työstöä, täysin uusia, käyttämättömiä ja vastaavat kaikilta osin tämän sopimuksen mukaista laatua, spesifikaatiota ja suorituskykyä. Laadun takuuaika on 12 kuukauden sisällä B/L-päivämäärästä.
Valmistaja korjaa tilatut koneet veloituksetta laatutakuuaikana.
Jos vika voi johtua ostajan virheellisestä käytöstä tai muista syistä, valmistaja perii korjauskustannukset.
Asennus ja virheenkorjaus:
Myyjä lähettää insinöörinsä opastamaan asennusta ja virheenkorjausta. Kustannukset jäävät ostajan puolelle (menopaluu lentoliput, majoitusmaksut ostajamaassa). Ostajan tulee tarjota sivustolleen apua asennuksessa ja virheenkorjauksessa.









