
- Sulkunopeus: 15-30 kpl/min
- Nimellisjännite: 110V/60Hz (US-standardi)
- Koneen teho: 0,8 kW
- Ampeeri: 2,2A
- Ulkomitat: 2230*1460*1600 MM (P*L*K)
- Ilmanpaine: 0,7 MPa
- Paino: Noin 300 kg
Ilmoitus ennen pullojen sulkemiskoneen käynnistämistä
1: Ennen kuin kone kytketään pistorasiaan, varmista, että virtakytkin on suljetussa tilassa, ja noudata sitten ohjeita.
2: Jos kone ei käy pitkään aikaan, se tulee pyyhkiä kuivalla liinalla eikä sitä saa puhdistaa millään syövyttävällä puhdistusaineella.
3: On ehdottomasti kiellettyä roiskuttaa mitään nestettä koneen sähkörasiaan, jotta vältetään sisäisten sähkökomponenttien korroosio ja oikosulku.
4: Tarkista laitteiden pakkausluettelon mallit, tekniset tiedot ja laitteiden ja materiaalien määrä varmistaaksesi, että ne täyttävät suunnittelu- ja tuotestandardien vaatimukset ja että niiden mukana on vaatimustenmukaisuustodistukset.
5: Tarkista laitteen ulkonäkö varmistaaksesi, että siinä ei ole muodonmuutoksia, vaurioita tai korroosiota, ja että kaikki karat pyörivät joustavasti ilman tukoksia.
6: Tämä kone toimii yksivaiheisella 110 V:n vaihtovirralla, ja litteä 3-jalkainen virtapistoke tulee kytkeä pistorasiaan maadoitusjohdolla.
Tekniset parametrit

- Sulkunopeus: 15-30 kpl/min
- Nimellisjännite: 110V/60Hz (US-standardi)
- Koneen teho: 0,8 kW
- Ampeeri: 2,2A
- Ulkomitat: 2230*1460*1600 MM (P*L*K)
- Ilmanpaine: 0,7 MPa
- Paino: Noin 300 kg
Korkkikoneen yksityiskohdat:



Koneen rakenteet

Optinen kuitu Electric Eye Kuvaus
Sähkösilmä pullojen havaitsemiseen:

Kun sitä käytetään automaattitilassa, tämän sähkösilmän tarkoituksena on havaita saapuvat pullot.
Kun saapuva pullo havaitaan, "levysoitin" pyörii.
Kansi-toimitus sähköinen silmä

Kun sitä käytetään automaattitilassa, tämän sähkösilmän tarkoituksena on havaita saapuvat kannet.
Kun sisääntuleva kansi havaitaan, "poistomekanismi" nousee materiaalin ottamista varten.
Kansi-toimitus sähköinen silmä

Kun sitä käytetään automaattitilassa: Tämän sähkösilmän tarkoitus on havaita saapuvat pullot.
Kun saapuva pullo havaitaan, "lukkokorkkimekanismi" kääntää lukituskorkkia alaspäin.
Kytkinpainike ja johdotusportti
Kosketusnäyttö ja hätäpysäytys

Syöttömoottorin ja kannen tärinälevyn ohjain

Tärinälevyn ohjain

Tärinälevyn ohjain: Säädä jännitettä säätämällä purkautumisnopeutta.
Virtakytkin ja pistorasiat

Moottorin ohjain

Taajuusmuuntaja: Säädä moottorin nopeutta säätämällä taajuusmuuntajan painiketta.
Hälytys- ja vianmääritysmenetelmä:
1. Hätäpysäytys on painettu. Työnnä hätäpysäyttimet koneen kannen ja kosketusnäytön vieressä.
2. Lähtö saavuttaa asetetun arvon. Aseta lähtö ja tyhjennä nykyinen lähtö painamalla tyhjennyspainiketta.
3. Jos korkkeja ei havaita pitkään aikaan, tarkista. Tarkista, että pullon korkin induktiokuitu on kunnolla paikallaan. Tarkista, ovatko korkit paikoillaan vai eivät.
4. Jos pulloja ei havaita pitkään aikaan, tarkista. Tarkista, ovatko pullot paikoillaan.
Sähköinen silmien säätö:
Vahvistimen rakenne

Kaavio optiselle kuidulle:

1. Optinen kuitulukitustanko
2. Käyttötilan ilmaisin
3. Aseta
4. DSC-merkkivalo
5. Digitaalinen näyttö
6. Manuaalinen painike
7. Laajennettu suojakansi
8. Laajennusliitin
9. Virranvalintakytkin
10. Tilapainike
11. Lähtövalitsin
12. Kaapelit
13. Pölysuoja
14. Aseta arvo (vihreänä)
15. Nykyinen arvo (punaisella)
Kuituoptisen asetuksen työprosessi
- Kun sähkösilmä putoaa rakoon, punaisen virran arvo on 144.
- Kun sähkösilmä osuu etikettiin, punainen virta-arvo on 4.
- Säädä asetusarvoa",noin 1/2 arvosta, jonka sähkösilmä on kehon paperilla (havaittavien kohteiden välisessä raossa) ja arvosta, jonka sähkösilmä on paperilla, asetettu arvo on (144 4)/2=74, säädä manuaalipainiketta asettaaksesi arvoksi 74.
- Siirrä etikettirakoa edestakaisin sähkösilmän kohdassa ja punaisessa "merkkivalo/merkkivalo".
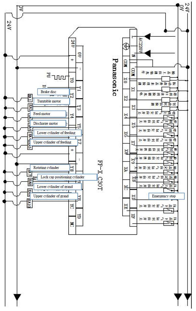
Piirikaavio



Huoltopullojen korkkikone

1. Kone on tarkistettava ja huollettava koneen pidentämiseksi ja koneen toiminnan optimoimiseksi;
- Työkone tulee huoltaa kolmen kuukauden välein;
- Laakeri ja vaihteiston osa on voideltava rasvalla;
- Voitelu on tehtävä säännöllisesti;
- Liukupolttoöljyä (N68) tulee lisätä osaan, kuten edestakaisin mekanismin liikkeellä tai nostamalla, kaksi kertaa päivässä;
- Autoöljyä (N68) tulee lisätä pyöriviin tai heiluviin osiin;
- Lisää rasvaa nokka-aukkoon puolen kuukauden välein;
- Joka kuukausi kerran öljysuuttimelle lisäämällä rasvaa;
2. Älä koskaan käytä metallityökaluja lyödäksesi tai raapaaksesi pintaa, jossa liima on kasautunut osiin, kuten komponentteihin tai muotiin.
3. Jos kone lakkaa käymästä pitkäksi aikaa, lisää rasvaa osien, kuten vaihteiston tai laakeriosan, voitelua varten; Käsittele kone myös vedenpitävällä suojalla.
4. Älä koskaan aseta mitään esineitä koneen päälle, jotta ne eivät vahingoita konetta.
5. Puhdista pöly komponenttien sisällä säännöllisesti, tarkista myös kaikki ruuvit ja kiinnitä mahdolliset löystyneet ruuvit.
6. Tarkista liittimien ruuvien johdotus tietyn ajan kuluttua ja varmista, että ruuvi on kiinnitetty;
7. Tarkista, onko sähkökoteloiden venytetyllä johtoradalla löysää asemaa; Jos osa on liian löysällä, kiinnitä ruuvi uudelleen välttääksesi eristekerroksen hankausta tai vaurioita, jotka voivat aiheuttaa sähkövuodon.
8. Tarkista helposti kuluvat tapit ja vaihda vaurioitunut ajoissa;









