
- Sulkupäät: 2kpl servo-moto-ajoa
- Jännite: 220V, 50/60HZ;
- Teho: 3,0 kW
- Ilmanpaine: 0,5–0,7 Mpa
- Ampeeri: 8,5A
- Nopeus: 40-45/min (räätälöity purkkien muodon ja koon mukaan)
- Sopivan tuotteen halkaisija: φ28-φ125mm kannet (Epästandardin mukaiset)
- Laipan läpimenonopeus: ≥ 99,5 % (riippuen kannen ja pullon virheestä)
- Koneen koko: 3300*1150mm*1908mm
- Paino: 450kg
Ennen kuin kytket koneen virran päälle. Lue tämä käsikirja huolellisesti turvallisuusasioiden ja koneen oikean käytön varmistamiseksi. Henkilöonnettomuuksien välttämiseksi ja konevaurioiden vähentämiseksi.
Jos kyseessä on syövyttävä tuote, varo, etteivät syövyttävät esineet kosketa itse konetta ja sen henkilökuntaa tai roisku niiden päälle.
- Vältä koneen käyttöä paikoissa, jotka ovat alttiina tärinälle tai törmäyksille.
- Kun kone on käynnissä, henkilökunnan vartalo ei voi koskettaa liikkuvia osia.
- Koneen käyttöä tulee välttää liian kosteissa paikoissa. Ja syötä se virtalähteeseen, maadoitusjohto oikein maadoitettuna Turvallisuusonnettomuuden välttämiseksi.
- Käyttäjän tulee säilyttää normaali fyysinen ja henkinen tila. Jos käytät alkoholia, unilääkkeitä tai muita henkistä tilaasi vahingoittavia lääkkeitä, lopeta koneen käyttö.
- Käyttäjän on käytettävä asianmukaista vaatetusta välttääkseen vammoja, jotka aiheutuvat vaatteiden osumisesta liikkuviin osiin, eikä hän saa asettaa mitään ylimääräisiä esineitä koneen päälle.
- Jos melua tai muita poikkeavuuksia ilmenee käytön aikana, lopeta välittömästi ja tarkista. Muut kuin tekniset teknikot, älä siirrä mielivaltaisesti koneen osia.
- Säännöllinen (kerran/viikoittainen) huolto ja hoito, välttäen veden tai nesteen roiskeita ja elektronisia ohjauskoteloita tai muita sähkökomponentteja konetta puhdistaessasi.
- Käytä normaaleja toimintatapoja ja pidä koneen pinta puhtaana ja siistinä.
Kapparikonetta käytetään kaikenlaisiin kosmetiikka-, lääke-, eläinlääketieteessä, torjunta-aineissa, voiteluöljyissä ja muilla teollisuuden aloilla pakkausprosessissa.





Purkkien korkkikoneen periaate ja ominaisuudet:
- Sähköinen automaattinen ohjaus, se on vakaa;
- Kannen kiinnityslaitteen, lukitun kannen vakiona, käyttö on kätevää;
- Lukko kattaa laajan valikoiman, voi pyörittää erilaisia korkkien eritelmiä;
- Rajoitusnopeus, pyörimisvankila, voi samanaikaisesti myös tarpeen mukaan säätää takaisinkelauksen tiukkuutta.


Kosmeettisten purkkien korkkikoneen perusparametrit:

1. Sulkupäät: 2kpl servo-moto-ajoa
2. Jännite: 220V, 50/60HZ;
3. Teho: 3.0Kw
4. Ilmanpaine: 0,5–0,7 Mpa
5. Ampeeri: 8,5 A
6. Nopeus: 40-45/min (räätälöity purkkien muodon ja koon mukaan)
7. Sopiva tuotteen halkaisija: φ28-φ125mm kannet (Epästandardit mukautetut)
8. Laipan läpimenonopeus: ≥ 99,5 % (riippuen kannen ja pullon virheestä)
9. Koneen koko: 3300*1150mm*1908mm
10. Paino: 450kg
Isäntäosan kuvaus


Virtakytkin: Ohjaa virtalähdettä päälle --- pois.
Virran merkkivalo: virta päällä – vihreä valo päällä, virta pois päältä – vihreä valo pois päältä.
Hätäpysäytys: Käytetään koneen pysäyttämiseen välittömästi tai toiminnon nollaamiseen hätä- tai vian aikana.
1. Käynnistä valosähkö: Kone on toiminnassa, kun valosähköinen tunnistus havaitsee pullon ja kannen, Kääntöpöytä voi alkaa toimia. Jos toista kahdesta valosähköisestä ei tunnisteta, levysoitin ei pyöri.
2. Valosähköinen alkuperä: Sitä käytetään askelmoottorin ohjaamiseen kääntöpöydän asennon ohjaamiseen, jotta pullo voidaan työntää kanteen sujuvasti.
3. Kannen valosähkö: Tarkista, että kansi on paikoillaan ja havaitse valosähköisesti, että kansilevyä on pyöritettävä.
4. Kannen valosähkö: Yläpeitekoneen käynnistyksen ja pysäytyksen ohjaaminen, kun ylemmän kansikoneen tarjoama kansi lajitellaan valosähkön havaitsemaan asentoon, valosähkö on aina kirkas, kansikone pysähtyy kantta varten ja älykäs kansi on toteutettu .
5. Lukon kannen valosähkö: Kun kannellinen pullo ohittaa, valosähköinen tunnistus havaitaan ja lukon kansi aktivoituu asetetun viiveajan mukaan (erityiset parametrit säädetään kuljetinhihnan nopeuden mukaan, kun konetta säädetään).
6. Lukon kansijärjestelmä: Kannen pullo on sama, valosähköinen käynnistysviive, viive sylinteripuristinpulloon, lukkokorkki lasketaan, kahvan kansi - kierrekorkki - tarttujan vapautus - lukkokorkki nousee - klipsipullo löystyy, ja lukituskorkkiprosessi on valmis. Kun 1# lukon kansi on lukon kannessa, toinen pullo tulee sisään. Tällä hetkellä 2#:n puristinpullon sylinteri liikkuu ja 2#:n lukon kansi aktivoituu kannen lukitsemiseksi. (Kun 2#:n lukkopäällä lukittu korkki ohittaa 1#:n pidikkeen pullon, älä toista lukon kansi.

Ihmisen ja koneen käyttöliittymän kuvaus

Käynnistyssivu
3.1 Käynnistyssivulla on englannin ja kiinan toimintovalinta, jos valitset kiinalaisen painikkeen, syötä seuraava käyttöliittymä:

Toinen käyttöliittymä
Stop: Koko koneen käynnistyskytkin, kosketa tätä näppäintä, kone toimii automaattitilassa, kosketa uudelleen tätä näppäintä, kone lakkaa toimimasta.
Testiportti: Testaa koneen toiminta.
Levylevyn nopeus: Mitä suurempi nopeusparametri on, sitä suurempi nopeus on, sitä hitaampi nopeusparametri on. (Mutta siellä on maksimiraja.).
Levysoitin viive: Levysoittimen käynnistysajan asetukset, levysoittimen sujuvan toiminnan mukaisesti asetettava vaikutus.
Rajauksen viive: Kun kääntöpöytä nimetylle asemalle, viivyttää odotusaikaa, sylinterin toimintakorkki.
Rajausaika: Aika, joka tarvitaan sylinterin tiivistämiseen.
Lähtö: Täydennä lukon kannen lukumäärä, kätevä tuotantomäärä. Tyhjennä painamalla nollausnäppäintä.
X1. X3. X14: Tarkista, onko valosähkö heijastuksen toimintatilassa, helppo nähdä koneen tilan toiminta,
Rajoitusparametri: Paina tätä näppäintä ja siirry seuraavaan käyttöliittymään:

Käyttöliittymä on parametrisivu, joka asetetaan jokaiselle servolukon kansijärjestelmän 1 # lukkopään toiminnolle. Parametrien järkevä asetus on hyödyllinen koneen vakauden ja tehokkuuden parantamiseksi.
Palata: Paina tätä painiketta palataksesi toiseen käyttöliittymään.
I/O: Paina tätä painiketta päästäksesi seuraavaan käyttöliittymään:

X-sarjan pisteet: Onko syöttöpiste sen havaitsemiseksi, onko valosähkö käyttötilassa, helppo nähdä koneen toiminta, helppo huoltaa.
Y-sarjan pisteet: Onko lähtökohta toimeenpanokomponenttien normaalitila palautetta, voi myös manuaalisesti painaa ohjausnäppäintä testata, ovatko suorituskomponentit normaaleja.
Korkin syöttöjärjestelmä: Voi olla vakaa ja järjestyksessä määrätyn peittämissuunnan mukaisesti.
Kallistuksen säätö: kohtuullinen kulma voidaan säätää ohjaamaan peruutuskansi ei kiivetä liukumäkiin.
Taajuusmuuttajan säätö: ohjaa kannen nopeutta.


Purkkien korkkilaitteiden huolto:
1. Varmista turvallisuuden varmistamiseksi, että kone on sammutettu ja kaasu pois päältä. Pidä kone puhtaana ja siistinä, älä äläkä koneeseen jää muita esineitä, älä pieniä esineitä, tarvikkeita, pultteja jne.
2. Ja voiteluöljyä lisätään säännöllisesti liikkuvan osan mekanismiin varmistaakseen mekanismin hyvän käyntitilan.
3. Vapauta vettä säännöllisesti ilmansuodatinyksiköstä ja lisää voiteluöljyä sylinterin oikean käytön varmistamiseksi ja käyttöiän pidentämiseksi.
4. Tarkista ja korjaa kone säännöllisesti. Arvioi laitteiden käyttökunto näön ja korvan perusteella varmistaaksesi, että kone toimii hyvin.
Huomautus: Käytä ja säilytä tiukasti ohjeiden mukaisesti, takuuaika on ehdottomasti kielletty avaaminen ja purkaminen, muuten tämän aiheuttamat vahingot ovat ihmisvaurioita, ei ilmaista korjausta. Tätä ohjetta voidaan muuttaa ilman erillistä ilmoitusta; Jos sinulla on edelleen epävarmuutta tämän koneen toiminnasta, soita meille milloin tahansa tiedusteluja varten
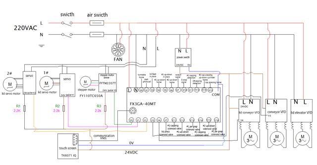
Ohessa sähkökaavio:

Valmiit suljetut korkit ovat näytteitä purkkien korkkikoneesta:





Merkit: sillä nelikulmaiset mustat purkit ovat alttiita naarmuuntumaan korkista johtuen, se on suunniteltu poimintajärjestelmällä vetämään purkkien korkit ulos lokeroista ja laittamaan ne korkkivalmiiseen asemaan korkin sulkemista varten. Yksityiskohtainen toimintaperiaate on kuvattu seuraavasti: Työprosessi:
1. Korkkien asettaminen lokeroon manuaalisesti (15*15 tai 10*10)

2. Aseta lokerot valmiille noutoasemalle
3. Robotit poimivat purkkeja

4. Pullojen asettaminen paikalleen ja korkkiprosessin lopettaminen
5. Korkkien purkkien lähtö











